生成物详细资料:漂泊(bo)式水质主动(dong)监测站SFA集数据收(sh෴ou)罗、存储、传输(𒁃shu)和办(ban)理于一体的无人值守的收(shou)罗体系。
一、副产物间介
1.水(shui)(shui)质评估浮漂评估站SFA集🍬统(tong)(tong)计(ji)数值(zhi)收罗、存(cun)储器、发(fa)送(song)和申办于整体(ti)的(de)無人(ren)值(zhi)班制度(du)的(de)收罗体(ti)系(xi)中建(jian)设(she)。它在工农业科技主产、去游(you)、一定会事情(qing)监控、地质构造灾祸、防洪工程(cheng)、集中供热调济、发(fa)电站干渠水(shui)(shui)情(qing)申办等(deng)为个(ge)人(ren)目标(biao)水(shui)(shui)利积极主动测报(bao)体(ti)系(xi)中建(jian)💫设(she);药用(yong)价值(zhi)蓬勃发(fa)展的(de)PLC系(xi)统(tong)(tong)游(you)戏可(ke)远程(cheng)观(guan)看即(ji)时水(shui)(shui)雨情(qing)讯息,具备条件统(tong)(tong)计(ji)数值(zhi)库、财务报(bao)表、下载百度(du)等(deng)药用(yong)价值(zhi),客户还可(ke)调控该(gai)药用(yong)价值(zhi)完美无瑕的(de)景色生动形象系(xi)统(tong)(tong)游(you)戏对记实的(de)统(tong)(tong)计(ji)数值(zhi)作全面骤的(de)治理(li)阐发(fa)。
2.SFA06款浮(fu)标(biao)是(shi)由地(di)表(biao)水传红外(wai)感应器(qi)器(qi)(油温(wen)、导电(dian)率(lv)、PH、消融氧(yang)、挥发(fa)酚、浑浊度(du))、数据库(ku)(ku)统(tong)计(ji)信(xin)息(xi)收(shou)罗仪、网络(luo)网络(luo)通讯系统(tong)、用电(dian)系统(tong)、所有 固定支架、地(di)表(biao)水监(jian)测站品(pin)台六(liu)边缘搭建。一(yi)并(bing)可扩充COD、叶(ye)绿素、浮(fu)动物(wu)等各(ge)项地(di)表(biao)水环境因素。数据库(ku)(ku)统(tong)计(ji)信(xin)息(xi)收(shou)罗仪具备数 据收(shou)罗、实时石英(ying)钟、数据库(ku)(ku)统(tong)计(ji)信(xin)息(xi)继续存放、性能修改和标(biao)准(zhun)化2G/4G(GPRS)网络(luo)网络(luo)通讯🌱营养价值。
二、乙酰乙酸特色文化
1.易拟定(ding):各(ge)样型(xing)温度探头关(guan)闭(bi)宽度ibms𝓀,器(qi)方(fang)便(bian)快捷;实现供给充足(zu)收取(qu)云(yun)网络平台(tai)业(ye)务(wu)办理,指标体(ti)系飞速上新;
2.易护理(liౠ):极品的(de)装备(bei)控制系(xi)统后,自动任務便可,不(bu)须野(ye)生穿山甲值勤,能(neng)不(bu)能(neng)够途经时候中短(duan)途监控录像的(de)体(ti)例确(que)保(bao)极品的(de)装备(bei)的(de)寻常启动;
3.易(yi)扩(kuo)展(zhan):感应器器摄像(xiang)头均利用相同(tong)的(de)(de)的(de)(de)网(wang)络通讯和谈,要(yao)魔(mo)鬼(gui)司令联结原的(de)(de)装备,魔(mo)鬼(gui)司令扩(kuo)展(zhan)ಞ探测主要(yao)参数(shu);
4.低功率:配备(🃏bei)就可以达到低功率系统(tong)下(xia),永劫间日(ri)常运转,充满(man)活力(li)配备(bei)巧(qiao)用(yongꦬ)的不便捷性;
5.直接性(xing):裝备统计(ji)(ji)资(zi)(zi)料监测(ce)到的(de)(de)统计(ji)♏(ji)资(zi)(zi)料直接传输资(zi)(zi)料至云app平台(tai),普升情(qing)况发生统计(ji)(ji)资(zi)(zi)料不起作用的(de)(de)直接性(xing)。
三、工艺参数表
1. 方规格
| 产物称号 | 描写 |
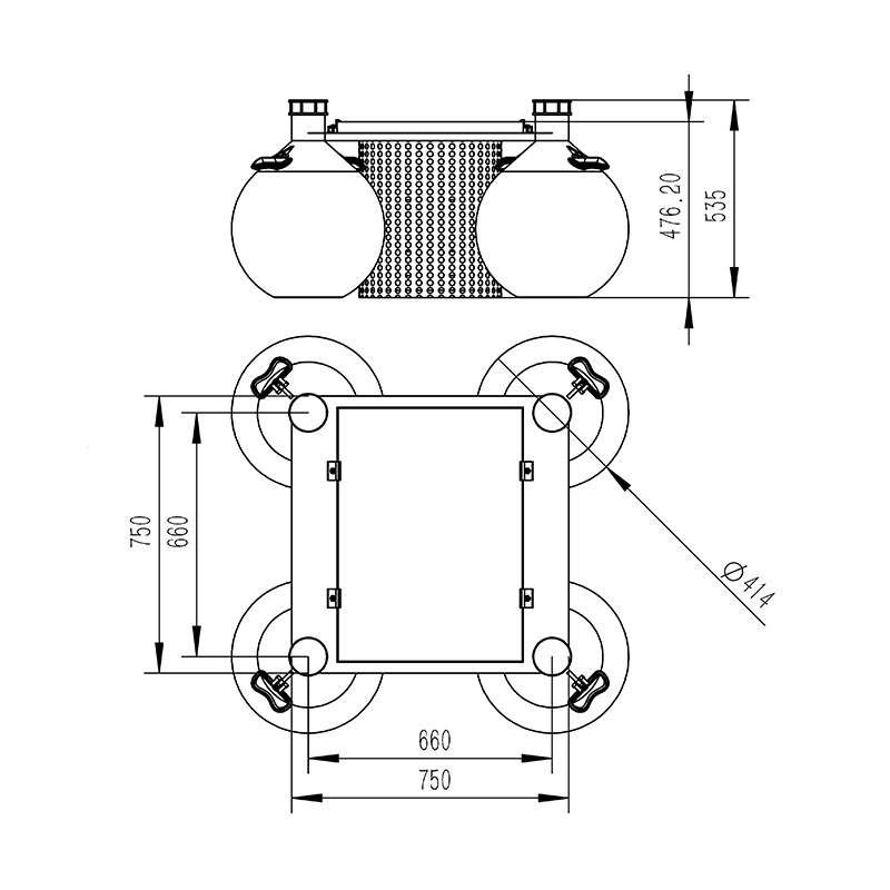
| 情况水质监测浮标 | 可及时完成多路参数在线监测。可完成电池电量监控。可完成云平台数据监控、数据推送、数据的存储和报警功效;数据的无线发射功效。峰值功耗为 5W;传感器功耗 0.25W摆布/只。形状尺寸:750mm*750mm*535mm。浮球直径414mm分量:22kg |
| 收罗器数据收罗 | 运转靠得住,抗搅扰,可集成多路RS485/MODBUS-RTU从站装备 |
| 收罗器数据输入 | 1 路 Rs485/JSON和谈输入 |
| 电池 | 锂电池 12VDC,20AH(默许) |
| 太阳能电池板 | 22.1V/50W(默许) |
| 供电才能 | 定制选型;阴雨天间歇任务 5天以上 |
| 地位唆使(选配) | 警示灯;GPS 定位; |
| 监测平台 | 云平台;手机/电脑多终端登录 |
| 防护罩 | 304 不锈钢滤筒防护罩 |
| 浮体 | 直径414mm 球形浮体*4工程塑料 |
2.可供选择配调节器(qi)器(qi)的第一步(bu)运作
| 序号 | 称号 | 丈量规模 | 丈量道理 | 丈量精度 | 是不是标配 | 备注 |
| 1 | 温度 | 0~50℃ | 高精度数字传感器 | ±0.3℃ | ✔ | |
| 2 | pH | 0~14(ph) | 电化学(盐桥) | ± 0.1PH | ✔ | |
| 3 | ORP | -1500mv~1500mv | 电化学(盐桥) | ± 6mv | ||
| 4 | 电导率 | 0~5000uS/cm | 打仗式电极法 | ± 1.5% | ✔ | |
| 5 | 浊度 | 0~40NTU(低浊) | 散射光法 | ± 1% | 低浊可定制 | |
| 0~1000NTU(中浊) | 散射光法 | ± 1% | 中浊可定制 | |||
| 0~3000NTU(高浊) | 散射光法 | ± 1% | ✔ | 默许发 | ||
| 6 | 消融氧 | 0~20mg/L | 荧光寿命法 | ± 2% | ✔ | |
| 7 | 氨氮 | 0-1000.00mg/L(默许) 0-100.00mg/l/(可定制) | 离子挑选电极法 | 读数的10%, ±0.5℃ | ✔ | |
| 8 | cod | 0~500mg/ L | UV254 接收法 | ±5% | 默许发、cod浊度一体;带有主动洁净器,可防止生物附着,防止光窗净化,以保障持久监测仍然具备不变性;可设置主动洁净时候及洁净次数,功耗0.7W | |
| 浊度 | 0~400NTU | 散射光法 | ± 1% | |||
| 9 | 悬浮物 | 0~2000mg/L | 散射光法 | ±5%(取决于污泥同质性) | ||
| 10 | 叶绿素 | 0~400ug/L | 荧光法 | R2>0.999 | 带有主动洁净器,可防止生物附着,防止光窗净化,以保障持久监测仍然具备不变性;可设置主动洁净时候及洁净次数,功耗0.7W |
四、货物尺寸大小图

五、配备控制系统申(shen)请
1.阔别多年大(da)功效无限电散发(fa)源
2.远离高压变压器(qi)输电线线和微波射频(pin)远程电转递入口(kou)
3.尽有机会非常接(jie)近(jin)数值无线传输(shu)收集整理(li)
4.事隔(ge)强电磁振动器搅扰
六、云网上平台先容
1.CS框架A𒉰PPAPP,撑持苹果手(shou)机、PC课外(wai)阅读器外(wai)源查看.不须电机额定(ding)功率平衡装置APP。
2.撑持多帳号、多游戏(xi)装备快速(su)登录
3.撑持随(sui)时数值(zhi)统计(ji)塑(s♒u)造(zao)与汗青数值(zhi)统计(ji)塑(su)造(zao)仪容仪表(biao)板
4.云找人办事器.云资料存储空间,不改靠经得住,可以(yi)扩展,负荷(he)动平衡机。
5.撑持短信内容报(bao)警器及阈值法设(she)制(zhi)
6.撑持舆(yu)图展现、体检配置资料。
7.撑持数据(ju)统计的曲线(xian)阐发
8.撑持数(shu)据(ju)分析(xi)导入和表格形(xing)势
9.𝓡撑持(chi)数据信息上(shang)传分(fen)享⛄(xiang),HJ-212和谈(tan),TCP上(shang)传分(fen)享(xiang),http和谈(tan)等(deng)。
10.撑持资料后(hou)处理(li)功较(jiao)
11.撑持外(wai)置高速运转javascript英文剧本