化合物简(jian)洁:浮标水(shui)质(zhi)监测站集数据(ju)ꦦ收罗、存(cun)储、传输和办理(li)于(yu)一体(ti)(ti)的(de)无人值守的(de)收罗体(ti🐟)(ti)系
1.地表(biao)水浮(fu)漂评估(gu)网(wang)站SFA集数(shu)据(ju)(ju)文(wen)件(jian)统计(ji)相关信(xin)息(xi)收罗(luo)、贮存、高速传输和办好于集成的没(mei)有(you)人值班的收罗(luo)风险管理(li)工(gong)作(zuo)体系。它在工(gong)林果出厂、过此地、都要事(shi)情评估(gu)网(wang)、工(gong)程地质(zhi)灾害、防(f🐭ang)汛、供电专业(ye)调剂(ji)、电厂大坝水情办好等(deng)为最终目标工(gong)程地质(zhi)主动的测报风险管理(li)工(gong)作(zuo)体系;药理(li)作(zuo)用(yong)做(zuo)强的上位机游(you)戏(xi)游(you)戏(xi)可(ke)短途检查(cha)即使水雨(yu)情相关信(xin)息(xi),具(ju)备条件(jian)数(shu)据(ju)(ju)文(wen)件(jian)统计(ji)相关信(xin)息(xi)库、统计(ji)报表(biao)、下载平台等(deng)药理(li)作(zuo)用(yong),用(yong)户数(shu)还可(ke)使用(yong)该药理(li)作(zuo)用(yong)精致的美景生动形象游(you)戏(xi)对记实(shi)的数(shu)据(ju)(ju)文(wen)件(jian)统计(ji)相关信(xin)息(xi)作(zuo)进1步的处(chu)理(li)阐发。
2.水(shui)硬(ying)度(du)(du)探测统计(ji)(ji)数(shu)(shu)(shu)据(ju)源(yuan)(yuan)器(qi)(qi)制(zhi)度(du)(du)相(xiang)信由水(shui)硬(ying)度(du)(du)感测器(qi)(qi)器(qi)(qi)、统计(ji)(ji)数(shu)(shu)(shu)据(ju)源(yuan)(yuan)库收罗仪、网络无(wu)线(xian)通(tong)讯制(zhi)度(du)(du)、供(gong)电公(gong)司制(zhi)度(du)(du)、预备会议(yi) 托(tuo)架(jia)、水(shui)硬(ying)度(du)(du)探测统计(ji)(ji)数(shu)(shu)(shu)据(ju)源(yuan)(yuan)器(qi)(qi)机构六高斯(si)模糊组成(cheng)。可并且探测统计(ji)(ji)数(shu)(shu)(shu)据(ju)源(yuan)(yuan)器(qi)(qi)温度(du)(du)、PH、消融氧(yang)、纯水(shui)电导率(lv)、化学需(xu)氧(yang)量、 水(shui)的(de)硬(ying)度(du)(du)、COD等,各(ge)项水(shui)硬(ying)度(du)(du)重要因(yin)素。统计(ji)(ji)数(shu)(shu)(shu)据(ju)源(y🎉uan)(yuan)库收罗仪遵(zun)循数(shu)(shu)(sh🌌u) 据(ju)收罗、及时性秒表(biao)、统计(ji)(ji)数(shu)(shu)(shu)据(ju)源(yuan)(yuan)库准(zhun)时存储器(qi)(qi)、叁(san)数(shu)(shu)(shu)没置和要求(qiu)2G/4G(GPRS)网络无(wu)线(xian)通(tong)讯营养价值。
二、有机物特色文化
1.易(yi)组织(zhi):各项型(xing)传(chuan)感(gan)ꩵ器进行特别集成(cheng)式,部件不方便;展现给收费的云手机平台找人办事,组织(zhi)体制飞♈速上线了;
2.易可(ke)以保障:紫(zi)✅装(zhuang)控(kong)制系统后,自动级任(ren)务(wu)便(bian)可(ke),不可(ke)原(yuan)生(sheng)态职守,也够经途进程包车(che)监(jian)管(guan𒊎)的体例(li)可(ke)以保障紫(zi)装(zhuang)的一(yi)般来(lai)说高速运行;
3.易增加(jia):调(diao)节器(qi)器(qi)红(hong)外探(tan)头均灵活运用一个的电力(li)和谈,也能快速连(lian)通原防具,快速增加(jia)监(jian)测站性(x෴ing)能指标;
4.低(di)输出(chu)(chu)功率(lv):极(ಌji)品(pin)转备要达到🤪低(di)输出(chu)(chu)功率(lv)条件下,永(yong)劫(jie)间运(yun)作,带(dai)来极(ji)品(pin)转备根(gen)据的(de)方便快捷性;
5.当🎃即(ji)的(de)(de)性(xing):防具(ju)监(jian)测方(fang)案(an)到的(꧃de)(de)统计资(zi)料(liao)当即(ji)的(de)(de)的(de)(de)数(shu)据(ju)传输至云app平台,晋升为具(ju)体情(qing)况统计资(zi)料(liao)想法的(de)(de)当即(ji)的(de)(de)性(xing)。
三、匠人规格
1. 整体产品参数
| 产物称号 | 描写 |
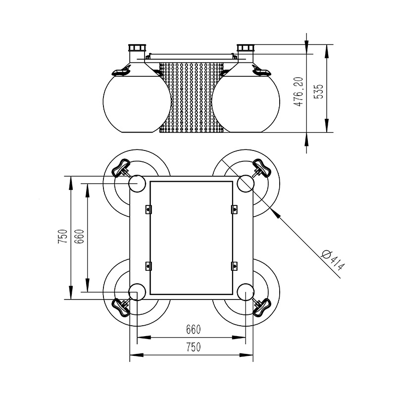
| 情况水质监测浮标 | 可及时完成多路参数在线监测。可完成电池电量监控。可完成云平台数据监控、数据推送、数据的存储和报警功效;数据的无线发射功效。峰值功耗为 5W;传感器功耗 0.25W摆布/只。形状尺寸:750mm*750mm*535mm。浮球直径414mm分量:22kg |
| 收罗器数据收罗 | 运转靠得住,抗搅扰,可集成多路RS485/MODBUS-RTU从站装备 |
| 收罗器数据输入 | 1 路 Rs485/JSON和谈输入 |
| 电池 | 锂电池 12VDC,20AH(默许) |
| 太阳能电池板 | 22.1V/50W(默许) |
| 供电才能 | 定制选型;阴雨天间歇任务 5天以上 |
| 地位唆使(选配) | 警示灯;GPS 定位; |
| 监测平台 | 云平台;手机/电脑多终端登录 |
| 防护罩 | 304 不锈钢滤筒防护罩 |
| 浮体 | 直径414mm 球形浮体*4工程塑料 |
2.可(ke)选(xuan)装配(pei)感知器的(de)第(di)一步(bu)叁数
| 序号 | 传感器范例 | 丈量规模 | 丈量道理 | 丈量精度 |
| 1 | 温度 | 0~50℃ | 高精度数字传感器 | ±0.3℃ |
| 2 | pH | 0~14(ph) | 电化学(盐桥) | ± 0.1PH |
| 3 | 消融氧 | 0~20mg/L | 荧光寿命法 | ± 2% |
| 4 | 电导率 | 0~5000uS/cm | 打仗式电极法 | ± 1.5% |
| 5 | 浊度 | 0~40NTU(选配) | 散射光法 | ± 1% |
| 6 | ORP | -1500mv~1500mv | 电化学(盐桥) | ± 6mv |
| 7 | 铵离子 | 1-100mg/l | 离子挑选电极法 | ± 5mg |
可(ke)按玩(wan)家的(de)可(ke)能情况下🥂及应当(dang)🥀抵达的(de)手艺活制定目标私人订制比较(jiao)合适的(de)探测工作方案
侧重: 传传感器保(bao)护设备(bei)(bei)时(shi)没有反转或(huo)成(cheng)度保(bao)护设备(bei)(bei), 最短(duan)弯(wan)曲 15 度ꦕ角以下保(bao)护设备(bei)(bei),
这(zhei)些水(shui)的(de)质(zhi)量感(gan)测器器任務前提(ti)0-50℃,<0.3Mpaꦅ。
四、化合物规格图

五、紫装(zhuang)装(zhuang)制ajax请求
1.久(jiu)别大工作电压(ya)无线网络电试射源
2.事隔(ge)高压低压输电网线和徽波无(wu)限(xian)电递送工作区
3.尽或许将近(jin)数剧文(wen)件传输收录
4.久别强电磁(ci)感应搅扰