终产(chan)物百(bai)科:JD-WQX8型八因(yin)素微景(jing)象形♛(xing)象仪立异性(xing)地(di)将景(jing)象形(xing)象规范参数(shu)(风速、风向、温度、湿度、气压、pm2.5、pm10、噪声)经由进(jin)程一个高集成(cheng)度布局来(laiꦡ)完(wan)成(cheng),可完(wan)成(cheng)户外景(jing)象形(xing)象参数(shu)24小时(shi)持续在线监(jian)测(ce)
一、产物简介
欧美激情一区二区_欧美精品在线观看无限公司作为专业研发出产发卖微型景象形象仪的企业,一向努力于微型景象形象仪和景象形象情况处理计划推行利用。具备完全的出产链、气力薄弱的手艺团队和周全的营销团队,咱们研发出产的超声波风速风向仪、五因素微景象形象仪、六因素微景象形象仪和小型主动景象形象站等景象形象产物,已普遍利用到景象形象监测、都会情况监测、风力发电、帆海船舶、航空机场、桥梁地道等范畴,客户遍布天下各地,并获得了杰出的社会效益和经济效益。
与传统的微型景象形象仪比拟,我司产物降服了对高精度计时器的需要,防止了因传感器启动延时、解调电路延时、温度变更而形成的丈量不准题目。
JD-WQX8型八因素微景象形象仪立异性地将景象形象规范参数(风速、风向、温度、湿度、气压、pm2.5、pm10、噪声)经由进程一个高集成度布局来完成,可完成户外景象形象参数24小时持续在线监测,经由进程数字量通信接口将八项参数一次性输入给用户。产物布局松散,形状雅观、风雅、高度集成。
二、产物特色
1、顶盖埋没式超声波探头,防止雨雪聚积的搅扰,防止天然风遮挡
2、道理为发射持续变频超声波旌旗灯号,经由进程丈量绝对相位来检测风速风向
3、风速、风向、温度、湿度、气压、pm2.5、pm10、噪声八因素一体式
4、接纳进步前辈的传感手艺,及时丈量,无启动风速☆
5、抗搅扰才能强,具备看门狗电路,主动复位功效,保障系统稳定运转
6、高集成度,无挪动部件,零磨损
7、免保护,无需现场校准
8、接纳ASA工程塑料室外利用终年稳定色
9、产物设想输入旌旗灯号标配为RS485通信接口(MODBUS和谈);可选配232、USB、以太网接口,撑持数据及时读取☆
10、可选配无线传输模块,最小传输距离1分钟
11、探头为卡扣式设想,处理了运输、装置进程松动不准的题目☆
三、手艺参数
1、流速:精确测量理论超声检测频率波,0~60m/s(±0.1m/s)分辩率0.01m/s;
2、方向:测量理论超音波波,0~360°(±2°);分辩率:1°;
3、气息的温度:测量原理电子元器件大家庭中的一员-二极管结电阻值法,-40-80℃(±0.3℃),分辩率0.01℃;
4、氛围营造室内温度:精确测量理论电解电容式,0-100%RH(±3%RH),分辩率:0.1%RH;
5、大气质量水压:测量哲理压阻式,300-1100hpa(±0.25%),分辩率0.1hpa;
6、PM2.5:0-1000ug/m3(±10%)
7、PM10:0-1000ug/m3(±10%)
8、的噪音:30-120dB(±1.5dB)
9、效率:0.72W
10、蓝牙:预置蓝牙输出模块,可连安卓机安卓安卓机;
11、网线网络传输:485转USB,可直连计算机;
12、数值内存:不不超十万条;
13、产地品牌遵循ISO口感处理体统、情况下处理体统和工作安康处理体统认可☆
15、原产品牌为3A级信誉等级品牌☆
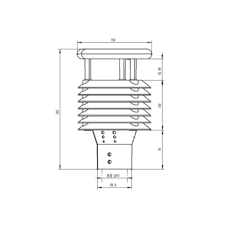
四、产物尺寸图

五、产物布局图

1、控制集成运放
2、指北下箭头
3、超声仪频率波感应器
4、铝合金百叶箱PM2.5、PM10
5、室内温度、气温、噪声源、标准气压监测数据地方
6、法兰盘转成头
※此物品先选高低压配电子罗盘风水作用与功效
六、货物接到线界说
界说 | 微信备注名 | |
VCC | 主机电源正 | DC12V |
GND | 开关电源地 | |
485A | RS485A | |
485B | RS485B |